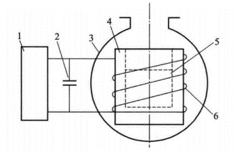
真空感应熔炼(Vacuum induction melting,简称VIM)是指在真空条件下,利用电磁感应在金属导体内产生涡流加热炉料进行熔炼的冶金方法。VIM主要应用在特殊钢、精密合金、电热合金、高温合金及耐蚀合金等特殊合金领域的生产。本文针对真空感应熔炼的基本原理、工艺过程以及关键技术等进行系统阐释。真空感应熔炼炉熔炼及结构示意图如下图所示。

1. 真空感应熔炼特点
1.1 真空感应熔炼优点
(1)在真空环境下,没有空气和炉渣污染,金属不易氧化、吸气少,合金纯净,性能更好;
(2)真空下冶炼,有利于金属内部氧气、氮气等气体杂质的去除,气体含量低;
(3)有利于铜、锌、铅、锑、铋、锡和砷等高蒸汽压的金属杂质元素挥发去除;
(4)有利于成分控制,特别是铝、钛、硼及锆等活性元素等控制,合金元素烧损少;
(5)熔池中存在电磁搅拌,促进钢水成分和温度均匀,有利于钢中夹杂物的合并、长大和上浮;
(6)熔炼过程中基本无火焰,也无燃烧产物,对环境污染小。
1.2 真空感应熔炼缺点
(1)设备复杂,价格昂贵,投资大;
(2)维修不方便,冶炼费用高,成本比较高;
(3)技术门槛高,不恰当的选择坩埚和耐火材料会污染金属;
(4)生产批量小,检验工作量较大;
(5)渣钢界面面积小,渣温低,流动性差,反应力低,不利于渣钢界面冶金反应,特别是脱硫、脱磷等;
(6)原材料部分杂质元素含量要求较为严格。
2. 真空感应熔炼原理
2.1 电磁感应加热原理
感应加热原理主要依据两则电学基本定律:电磁感应定律和焦耳楞茨定律。
(1)电磁感应定律
电磁感应定律,也叫法拉第电磁感应定律,指穿过闭合电路的磁通量发生变化,闭合电路中就有电流产生,这种现象称为电磁感应现象,所产生的电流称为感应电流,产生的电动势(电压)称为感应电动势。电路中感应电动势的大小,跟穿过这一电路的磁通变化率成正比。公式如下所示:
其中:
E :产生的感应电动势;
n :线圈匝数;
Δɸ:磁通量变化量;
Δt:发生变化所用时间。

真空感应加热基本模型(1-电流;2-电容器;3-真空室;4-坩埚;5-金属材料;6-感应器)
(2)焦耳楞茨定律
焦耳楞茨定律,又称为电流热效应原理,当电流在导体内流动时,定向流动的电子要克服各种阻力,这种阻力用导体的电阻来描述,电流克服电阻所消耗的能量将以热能的形式放出。
其中:
Q:热量;
I:电流强度;
R:导体电阻;
t:导体通电时间。
给感应器通以交流电时,会产生一个交变磁场,金属料棒置于这个磁场的中心,若把金属料棒看成多个同轴薄壁筒组合,每个薄壁筒都是一个闭合导电回路,根据电磁感应原理,每个闭合导电回路都将产生一个小的感应电流,多个小电流汇总成大的感应电流,感应电流流动遇金属棒自身电阻而发热,电流很大热效应很强,这个热使金属料棒加热升温,以致熔化。
2.2 集肤效应和透入深度
(1)集肤效应
集肤效应指交流电通过导体(冶炼中指炉料)时,在导体截面上出现电流分布不均匀现象,越靠导体表面电流密度越大,越向中心部位电流密度越小的现象。

集肤效应(δ-电流密度分布;H-磁场强度分布)
集肤效应和导体半径大小以及电流频率有关。当材料相同时,导体越粗、电流频率越高,则集肤效应越明显。因为感应电动势取决于磁通变化速率dɸ/dt。当导体半径一定时,频率越高,感应电动势越强,集肤效应就越明显。当电流频率一定时,通过导体半径增加,则通过导体的磁通增大,导体外层的感应电动势差也就越大,所以集肤效应也就越明显。
(2)透入深度
透入深度是表征感应电流趋肤效应程度的一个物理量。当一导体通以交流电后,产生集肤效应,导体截面上的电流密度从表面向中心由最大到最小连续变化,在集肤效应十分明显时,其变化规律服从指数规律衰减。

电流透入深度
由焦耳楞次定律可知,电流流经导体产生的热量与电流的平方成正比,因此功率密度由表面向中心的衰减速度较电流的衰减更为剧烈,即大部分能量分散在表层中。
2.3 邻近效应与圆环效应
(1)邻近效应
当两根通以交流电的导体相互靠近时,或将一根通电导体移向另一根通电导体时,在相互的影响下,两根导体中的电流都要做重新分布,这种现象叫邻近效应。
两根相靠近的导体中,通以相同方向的电流时,两根导体外侧的电流密度大于内测;而当两根导体中通以相反方向的电流时,两根导体内测的电流密度大于外侧。邻近效应和导体间的距离有关,距离越近邻近效应越明显。

邻近效应
(2)圆环效应
当圆环形导体通以交流电时,出现圆环内侧的电流密度高于外侧的现象,这种现象叫圆环效应,又称线圈效应。

圆环效应
2.4 电动力效应与电磁搅拌
将一带电导体放入磁场中,磁场对带电导体产生作用力,使带电导体运动,这种力在物理学上叫电动力,这种现象叫电动力效应。
在感应炉工作的状态下,感应炉坩埚中熔融金属材料就是一个带感应电流的带电导体,并处于感应器所产生的强磁场中,产生电动力效应。由于感应器属于短线圈,两头有端部效应,感应器两头相应的电动力变小,电动力的分布上下小,中间大,受电动力作用金属液产生运动,运动规律服从受力规律。由于中间力大,两头力小,金属首先从中部开始向着坩埚轴线运动,到中心相汇后,分别向上和向下流去,后续金属推动这种现象连续不断,便形成金属循环运动,金属液运动带来对自身的搅拌作用,叫做电磁搅拌。

电动力效应
真空感应熔炼炉的电磁搅拌特点主要包括:①加速熔炼过程中的物化反应速度;②均匀熔融金属液成分;③坩锅内金属液温度趋于一致,熔炼中反应更彻底;④克服自身静压力作用,将坩锅深处的溶解气泡翻到液面上来,便于气体排出,减少合金的气体夹杂含量;⑤猛烈搅拌增强金属液对坩锅的机械冲刷,影响坩锅寿命;⑥加速坩锅耐火材料在高温下的分解,构成对熔融合金的再次污染。
3. 真空感应熔炼工艺
真空感应炉熔炼主要分为装料、熔化、精炼、浇注等几个阶段。
3.1 装料
3.1.1 原料要求
(1)准确掌握各种冶炼原材料的化学成分,不允许混乱;
(2)原材料中S、P含量低,低熔点有色金属杂质Pb、Bi、Sn等要低;
(3)原材料气体含量要少;
(4)原材料要特别清洁、无锈,无油污;
(5)原材料储存在干燥环境,以免熔炼时带入气体,产生喷溅;
(6)根据炉子容量大小和电源频率,控制原材料尺寸;
(7)原料可以是返回料、精钢材、纯金属、中间合金。
3.1.2 装料要求
真空感应熔炼在真空室内进行,装料与普通感应熔炼有所不同,全部原料分成两部分:一部分直接装入坩埚;一部分装入合金料箱中,以便在熔炼过程中投入熔池。
坩埚中装料要求:
(1)基本材料Fe、Ni、W、Mo、Co、V、C等可直接装入坩埚内;
(2)坩埚内温度不均匀,下高上低,原则上难熔金属和量多元素装在高温区;
(3)坩埚底部放小块料,以便快速形成熔池,大块料放在坩埚中上部,利于预热和顺利塌料;
(4)装料应做到上松下紧,以防熔化过程中上部炉料因卡住或焊接而出现“架桥”;
(5)装料时坩埚稍向前倾,上部装料避免平摊放置,向出钢一侧集中;
(6)热炉条件下应快速装料,防止感应圈水冷表面凝结水珠,坩埚吸气增多,延长抽气时间,温度降低,影响坩埚寿命。
装入合金料箱中的材料主要包括:
(1)活泼、易氧化和微量元素(如Al、Ti、Ce、Zr和B等)应在金属液脱氧良好的条件下加入;
(2)蒸汽压高、易挥发的元素(如Mn)加入时,熔炼室应先充以惰性气体Ar,控制炉内气压。
3.2 熔化
熔化期的主要任务:炉料熔化、去气、去除低熔点有害杂质和非金属夹杂物,使金属液温度适当、熔池上真空度符合要求,为精炼创造条件。熔化期在整个冶炼过程中时间最长。熔化期关键技术如下:
(1)真空度
合炉后,抽至高真空度≤10Pa进行送电加热,炉料熔化前保持较高的真空度。熔化期内,熔池由浅渐深,新的金属液面不断裸露出来,高真空度,有利于气体、有害杂质和非金属夹杂物的排除。
(2)供电制度
熔化初期,由于感应电流的集肤效应,炉料逐层熔化。炉料逐层熔化有利于去气和去除非金属夹杂,因此,熔化期要保持较高真空度和缓慢的熔化速度。需要合理的供电制度,开始熔化时,根据金属炉料的不同特点,逐级增加输入功率,使炉料以适当的速度熔化。若熔化过快,则气体有可能从金属液中急剧析出,引起熔池的剧烈沸腾,甚至喷溅。
(3)熔化期喷溅
熔化速度过快,大块冷料落入熔池,补加料太快或含气过多,金属液温度过高等都会引起熔化期金属液大量喷溅。喷出的金属液大都黏附在坩埚壁上部,形成环形壳,不但损失大量金属材料,严重时还会导致冶炼工作无法进行。如果发生喷溅,可采取降低熔化速度(减小输入功率)或适当提高熔炼室压力(关闭真空阀门或充入一定量的Ar气)的方法加以控制。
3.3 精炼
精炼期的主要任务:脱氧、去气、去除挥发性夹杂、调整温度、调整成分。精炼过程中须控制好精炼温度、真空度、真空时间以及合金化等工艺。
(1)精炼温度
高精炼温度有利于碳氧反应及夹杂的分解挥发,但温度过高,会加剧坩埚与金属间的反应、增加合金元素的挥发损失,因此,通常合金钢的精炼温度控制在所炼金属的熔点以上100℃。
(2)真空度
真空度提高促进碳氧反应,随着CO气泡的上浮排出,有利于[H]和[N]的析出、非金属夹杂的上浮、氮化物的分解、微量有害元素的挥发。但过高的真空度会加剧坩埚与金属间的反应、增加合金元素的挥发损失,所以对于大型真空感应炉,精炼期的真空度通常控制在15~150Pa,小型炉控制在10Pa以下。
(3)真空时间
金属液内氧含量先降后升,因此,氧含量达到最低值的时间,为精炼最佳时间,500kg真空感应熔炼炉精炼时间为50~70min。炉料熔清后,立即加入适量的块状石墨或其他高碳材料进行碳氧反应。
(4)合金化
精炼后期,充分脱氧、去气、挥发夹杂物后,加入活泼金属和微量添加元素,调整成分,进行合金化,加入顺序一般为Al、Ti、Zr、B、Re、Mg、Ca,做到均匀、缓慢,以免产生喷溅,加入后大功率搅拌1~2min,加速合金熔化和分布均匀。由于Mn的挥发性较强,一般在出钢前3~5min加入。
3.4 浇注
钢液的出钢温度、浇注温度关系到成品的冶金质量,浇注时可采用保温帽或绝热板。
(1)浇注温度
在浇注和金属凝固过程中,钢液中气体的溢出,夹杂物的上浮,钢液凝固时的补缩,需要钢液有一定的过热度,以保持良好的流动性。但温度过高,柱状晶区加宽,偏析增大,锭子各向异性大,缩孔加深,钢锭和电极拉裂倾向增加,甚至粘模或拉断,造成废品;温度过低,不利于气体和夹杂的去除,钢锭或电极表面质量下降,等轴粗晶区扩大,夹杂物增多,疏松严重,造成短尺废品。因此,浇注温度一般控制在液相点以上50~80℃。
(2)带电浇注
带电浇注的目的:一是在浇注时将浮渣推向坩锅后侧,避免流入钢锭和电极中,二是保持钢液温度均匀,减少温差。
(3)浇注后保持真空
浇注后不应立即破坏真空,一般在出钢5~15min后再破坏真空,避免红热铸件及坩埚壁附着金属的氧化,减轻下一炉次的冶炼负担,保证合金质量;可避免红热金属的氧化和移动铸模,破坏结晶的正常进行。对于成分复杂的高温合金,浇注后可在真空下冷却。
4. 真空感应熔炼关键工艺
4.1 脱氧
氧在钢中为有害元素,在炼钢过程中自然进入,主要以FeO、MnO、SiO2、Al2O3等夹杂形式存在,使钢的强度、塑性降低,尤其是对疲劳强度、冲击韧性等有严重影响。在炼钢末期加入锰、硅、铝进行脱氧,但不能除尽。
硅、铝等金属可进行沉淀脱氧,脱氧后形成的氧化物夹杂会部分残留在钢中,降低钢的纯洁度。
(2)碳脱氧
在常压下,碳的脱氧能力较弱,但在真空条件下,碳氧反应会进行的更完全,脱氧为气态产物,不会遗留非金属夹杂物。
[C]+[O]=CO
当气相压力降至0.1atm时,碳的脱氧能力可超过硅;若气相压力降至133.322Pa时,碳的脱氧能力可超过铝。但碳的脱氧能力并不会随着真空度的提高而无限制的提高,因为只有液气分界面的碳氧反应只遵循热力学原理,金属液体内部的碳氧反应不仅遵循热力学原理,还要受到动力学条件的约束。金属液体内部如果要形成CO气泡,CO的生成压必须大于炉气压力、气泡产生处金属液柱的静压力和表面张力造成的压力之和。因而仅减小炉气压力(即增加真空度)难以达到,此时限制碳脱氧的主要因素是表面张力和静压力。
镁砂捣打坩埚在高真空度、高温度下容易分解,使钢液进一步增氧,对钢液的脱氧产生不利影响。用氧化钙坩埚熔炼钢液时,由于氧化钙优异的热稳定性,在真空精炼时不会对钢液增氧,但真空度过高(如系统压力小于1Pa时),氧化钙热稳定性会降低,不利于钢液的深度脱氧。
(3)过滤
获得超纯净合金的最重要的辅助方法是过滤,并在实践中获得良好效果,采用孔隙度为10ppi的Al2O3和CaO过滤网,对于氧的脱除有效果。
4.2 脱氮
氮对钢材性能的影响与碳、磷相似,随着氮含量的增加,可使钢材的强度显著提高,塑性特别是韧性显著降低,可焊性变差,同时增加时效倾向及冷脆性和热脆性。因此,应尽量减小和限制钢中的氮含量,一般规定氮含量不高于0.018%。
中国科学院金属研究所牛建平等人研究了真空感应熔炼超纯净镍基高温合金脱氮的工艺。发现在氧化钙坩埚中精炼加Al对脱氮有促进作用;Ti加入对脱氮有明显阻碍作用;提高真空度,可降低合金元素对脱氮的不利影响,达到极低含氮量。
4.3 脱氢
氢是一般钢中最有害的元素,钢中溶有氢会引起钢的氢脆、白点等缺陷。氢与氧、氮一样,在固态钢中溶解度极小,在高温时溶入钢液,冷却时来不及逸出而积聚在组织中形成高压细微气孔,使钢的塑性、韧度和疲劳强度急剧降低,严重时造成裂纹、脆断。
氢在空气中以分子状态存在,在金属中则以单原子或离子状态存在,这种双原子气体在金属中的溶解度与气体分压力的平方根成正比,因此,提高熔炼真空度有助于除氢。
4.4 锰含量控制
锰能提高钢材强度、提高淬透性、改善热加工性能,并且价格相对便宜,与铁无限固溶,在提高钢材强度的同时,对塑性的影响相对较小。因此,锰被广泛用于钢中。
由于锰的蒸汽压比较高,在高真空下挥发严重,在钢中含量不容易控制,经过研究,在1500℃熔炼时,锰的蒸汽压大约为2.7kPa,采用3kPa充氩量可以抑制锰的挥发,达到对锰含量的控制。
4.5 控制熔炼过程放电
(1)利用真空机组改变真空室内压力防止放电
(2)依真空室内压力变化,确定是否采用油增压扩散泵抽真空抑制放电
(3)严肃真空卫生要求,消除导电尘埃防止放电
(4)合理调整真空度与送电功率解决放电问题
(5)降低感应器的输入电压减少放电
创造符合设备要求的条件
参考文献:
[1] 刘喜海, 徐成海, 郑险峰编著.真空冶炼[M]. 化学工业出版社,2013.
[2] 杨乃恒. 真空冶金技术的现状与发展[J]. 真空与低温,2001.
[3] 李清华, 赵志力. 真空冶金现状及发展前景[J]. 沈阳大学学报,2003.
[4] 李正邦. 真空冶金新进展[J]. 真空科学与技术,1999.
声明:转载请注明来源,欢迎交流。